| 型材寬度/mm | 型材高度/mm | 型材齒高/mm | 型材齒厚/mm | 齒片間隙/mm | 成品尺寸(長*寬*高)/mm | 截面圖紙 |
| 86.2 | 5.5 | ![]() | ||||
| 100 | 6 | ![]() | ||||
![]() | ||||||
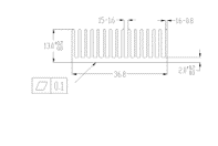
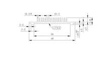
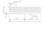
| 76 | 9.5 | 5 | 0.6 | 2.85 | 56*76*9 | ![]() |
| 76 | 9.5 | 5 | 0.6 | 2.85 | 56*76*9 | ![]() |
| 78 | 6 | ![]() | ||||
![]() | ||||||
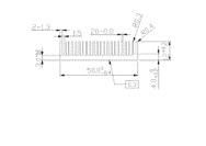
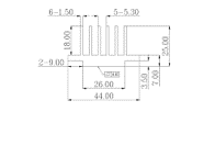
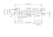
| 120 | 21 | 17 | 0.6/0.8 | 2.7/3 | 120*100*21 | ![]() |
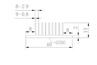
| 120 | 10 | 6.5 | 0.6/0.8 | 2.1/2.4 | 120*100*10 | ![]() |
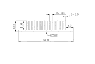
| 105 | 16 | 12 | 0.6/0.8 | 2.2/1.9 | 105*85*16 | ![]() |
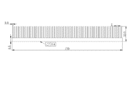
| 156 | 8 | 4.7 | 0.7 | 2.1 | 178*155*21 | ![]() |
| 95 | 24.3 | 16.7 | 1 | 3 | 85*95*24.3 | ![]() |
| 110 | 33 | 28 | 1 | 2.3 | 90*110*33 | ![]() |
| 81 | 42 | 37.5 | 0.8 | 1.9 | 118*81*42 | ![]() |
| 50 | 11.5 | 8 | 0.8 | 2.2 | 70*50*11.5 | ![]() |
| 66 | 20.4 | 16 | 0.5/1.1 | 1.5/1.65 | 66*66*20.4 | ![]() |
| 105 | 24.3 | 9.7/20 | 1 | 3 | 85*105*24.3 | ![]() |
| 105 | 14.7 | 10.8 | 0.8 | 2.4 | 105*85*16 | ![]() |
| 65 | 25 | 23 | 1.2 | 3.7 | 60*65*25 | ![]() |
| 35 | 20 | 18 | 1.4 | 2.8 | 30*35*20 | ![]() |
| 95 | 23 | 20 | 1.2 | 3.6 | 82*95*23 | ![]() |
| 60 | 11 | 9 | 0.5 | 2 | 60*60*11 | ![]() |
| 66 | 20.4 | 16 | 0.5/1.1 | 1.5/1.65 | 138*66*20.4 | ![]() |
| 80 | 14.3 | 13.3 | 0.5 | 2 | 80*70*14 | ![]() |
| 37 | 24 | 21.5 | 1 | 3.5 | 37*37*24 | ![]() |
| 24.6 | 20 | 16.5 | 1.6 | 3 | 23.6*24.6*20 | ![]() |
| 25 | 12 | 10.5 | 1.2 | 2.2 | 25*25*12 | ![]() |
| 20 | 15.3 | 12.8 | 1.6 | 3 | 20*20*15.3 | ![]() |
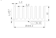
| 34.5 | 7 | 5.5 | 1.2 | 2.06/3.56 | 25*34.5*7 | ![]() |
| 20 | 6.8 | 10.5 | 3 | 2.3 | 20*20*6.8 | ![]() |
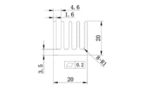
| 20 | 20 | 16.5 | 1.6 | 3 | 20*20*20 | ![]() |
| 14.2 | 9 | 5 | 1 | 2.3 | 46*11*9 | ![]() |
| 65 | 25 | 23 | 1.2 | 3.7 | 60*65*25 | ![]() |
| 45 | 20 | 18 | 1 | 3 | 45*45*20 | ![]() |
| 43.2 | 23.4 | 19.9 | 1.3 | 2.5 | 43.2*41.25*23.4 | ![]() |
| 47 | 7 | 5 | 1 | 3 | 30*46.5*7 | ![]() |
| 14.2 | 9 | 5 | 1 | 2.3 | 59.8*14.2*9 | ![]() |
| 60 | 23 | 21 | 1.2 | 3.6 | 60*60*23 | ![]() |
| 90 | 10 | 8 | 1 | 2 | 90*57*10 | ![]() |
| 55 | 8 | 6 | 0.8 | 2.2 | 55*55*8 | ![]() |
| 81 | 25.7 | 21 | 1.2 | 3 | 80*81*25.7 | ![]() |
| 49 | 25 | 22 | 0.5 | 2.5 | 49*49*25 | ![]() |
| 81 | 42 | 37.5 | 0.8 | 1.9 | 118*81*42 | ![]() |
| 60 | 30 | 16/28 | 1 | 2.1 | 60*60*30 | ![]() |
| 60 | 8 | 6 | 0.5 | 2.33 | 60*60*8 | ![]() |
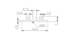
| 34.5 | 4.5 | 3 | 1.2 | 2.2 | 25*34*4.5 | ![]() |
| 86 | 40.3 | 35.5 | 1/1.5 | 3 | 108*86*40 | ![]() |
| 86 | 40.5 | 35.5 | 0.7 | 2.03 | 108*86*40 | ![]() |
| 100 | 23.3 | 20 | 0.8 | 2 | 110*100*23 | ![]() |
| 150 | 15.3 | 11 | 0.8 | 2 | 75*150*15 | ![]() |
| 70 | 7.8 | 4.5 | 0.5 | 1.7 | 90*70*7.5 | ![]() |
| 65 | 25 | 23 | 1.2 | 3.7 | 60*60*25 | ![]() |
| 70 | 11.3 | 8 | 0.5 | 2 | 80*70*11 | ![]() |
| 130 | 11.5 | 8 | 0.5 | 2 | 130*90*11 | ![]() |
| 81 | 25.7 | 21 | 1.2 | 3 | 81*80*25.7 | ![]() |
| 80 | 33 | 29 | 0.8 | 2 | 80*80*33 | ![]() |
| 75 | 21.3 | 17 | 1.0/3 | 3 | 75*75*21 | ![]() |
| 45 | 7 | 5 | 1 | 3 | 45*45*7 | ![]() |
| 150 | 25 | 21 | 1.2 | 3.45 | 150*65*25 | ![]() |
| 60 | 7 | 5 | 0.8 | 2.9 | 60*60*7 | ![]() |
| 80 | 24 | 20 | 1.22 | 3.38 | 80*70*24 | ![]() |
| 95 | 24 | 20 | 1.55 | 3.05 | 95*70*24 | ![]() |
| 95 | 24 | 20 | 1.55 | 3.05 | 95*82*24 | ![]() |
| 115 | 24 | 20 | 1.55 | 2.95 | 85*115*24 | ![]() |
| 90 | 18 | 15 | 1 | 3.05 | 40*90*18 | ![]() |
| 150 | 23.3 | 18 | 0.8 | 2.2 | 85*150*23 | ![]() |
| 150 | 33 | 28 | 1.4 | 2.62 | 150*90*33 | ![]() |
| 105 | 23 | 19 | 0.8 | 8 | 75*105*23 | ![]() |
| 47.4 | 9 | 7.5 | 1.2 | 2.6 | 37*47.4*9 | ![]() |
| 60 | 25 | 23.48 | 1.22 | 2.03 | 42.5*59*25 | ![]() |
| 80 | 23 | 20 | 1 | 3 | 80*60*23 | ![]() |
| 45 | 20 | 18 | 1 | 3 | 45*45*20 | ![]() |
| 48 | 7 | 5.5 | 1.2 | 2.6 | 37*47.4*7 | ![]() |
| 50 | 23.2 | 19 | 1.2 | 2.4 | 50*35*23 | ![]() |
| 7 | 13 | 10 | 1.2 | 1.7 | 120*7*13 | ![]() |
| 7 | 13 | 10 | 1.2 | 1.7 | 7*140*13 | ![]() |
| 95 | 23.3 | 20 | 0.5 | 2 | 100*95*23 | ![]() |
| 85 | 28.5 | 24 | 0.7 | 2 | 75*85*28 | ![]() |
| 95 | 20.3 | 158.7 | 0.8 | 2.2 | 95*85*20 | ![]() |
| 37 | 18 | 15.5 | 1 | 3.5 | 37*37*18 | ![]() |
| 80 | 23.3 | 19 | 0.8 | 2.5 | 60*80*23.3 | ![]() |
| 130 | 25.3 | 20 | 0.8 | 2 | 130*80*25 | ![]() |
| 100 | 23 | 20 | 0.5 | 2.05 | 100*58*23 | ![]() |
| 30 | 24.8 | 10/13.2 | 1 | 22*30*24.8 | ![]() | |
| 45 | 20 | 18 | 1 | 3 | 45*45*20 | ![]() |
| 105 | 24.3 | 20 | 0.8 | 2 | 95*105*24 | ![]() |
| 90 | 20.2 | 17 | 0.8 | 2 | 85*90*20 | ![]() |
| 14 | 10 | 8.3 | 1.4 | 1.75 | 14*14*10 | ![]() |
| 19 | 7.9 | 5.5 | 0.6 | 1 | 62.8*19*8.2 | ![]() |
| 130 | 18.5 | 15 | 0.5 | 2 | 130*90*18 | ![]() |
| 80 | 64.5 | 56 | 0.7/0.8 | 2.99 | 113*80*64 | ![]() |
| 80 | 25.2 | 19.7 | 0.7 | 1.94 | 113*80*24.7 | ![]() |
| 80 | 10.3 | 7 | 0.6 | 1.41 | 7*80*9 | ![]() |
| 130 | 11.5 | 8 | 0.5 | 1.97 | 130*90*11 | ![]() |
| 36.8 | 13 | 11 | 0.8 | 1.6 | 57.9*36.8*13 | ![]() |
| 50 | 12 | 9 | 0.8 | 1.5 | 58*50*11 | ![]() |
| 130 | 11.5 | 8 | 0.5 | 2 | 130*90*11 | ![]() |
| 70 | 18.5 | 14.2/4.2 | 0.8 | 2.2 | 70*60*18 | ![]() |
| 150 | 33.5 | 28 | 1.4 | 2.62 | 90*150*33 | ![]() |
| 50 | 13 | 8 | 0.8 | 2.9 | 70*50*10 | ![]() |
| 120 | 13.5 | 10 | 0.8 | 2 | 75*120*13 | ![]() |
| 170 | 23.5 | 18 | 0.8 | 2 | 90*170*23 | ![]() |
| 40 | 11 | 9 | 0.8 | 2.95 | 50*40*11 | ![]() |
| 70 | 7.2 | 4.5 | 0.8 | 2 | 50*70*7 | ![]() |
| 94 | 10 | 5.5 | 0.6 | 1.8 | 177*94*10 | ![]() |
| 80 | 13.5 | 9.5 | 1.2 | 1.5 | 84*80*13 | ![]() |
| 65 | 24.5 | 22 | 0.8 | 2.1 | 60*65*24.5 | ![]() |
| 50 | 7 | 4.5 | 1.2 | 3.2 | 70*50*7 | ![]() |
| 95 | 23.5 | 20 | 0.7 | 2.1 | 60*95*23 | ![]() |
| 75 | 13.5 | 10 | 0.6 | 1.5 | 120*75*13 | ![]() |
| 113 | 13.5 | 10 | 0.6 | 1.5 | 70*113*13 | ![]() |
| 34 | 7 | 5.5 | 1 | 2 | 34*25*7 | ![]() |
![]() | ||||||
| 90 | 64 | 59 | 1 | 3.45 | 101*90*63.5 | ![]() |
| 72 | 17.2 | 15 | 0.6 | 2 | 73*75*17 | ![]() |
| 45 | 15.3 | 13 | 1.3 | 2 | 45*45*15 | ![]() |
| 80 | 7.4 | 120*80*7 | ![]() | |||
| 70 | 31.5 | 27 | 1.4 | 3.5 | 95*70*31 | ![]() |
| 78 | 26 | 21 | 0.7 | 2.27 | 108*78*25.5 | ![]() |
| 55 | 14.5 | 230*55*14.5 | ![]() | |||
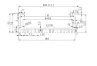
| 169.5 | 55 | 10 | 3.2/5 | 4.55 | 230*169.5*55 | ![]() |
| 226.55 | 55 | 10 | 3.2/5 | 4.55 | 230*226.55*55 | ![]() |
| 80 | 7.25 | 4.5 | 0.8 | 1.2 | 12.5*80*7.25 | ![]() |
| 64 | 9.2 | 7 | 1 | 2 | 45*64*9.0 | ![]() |
| 58 | 21.2 | 18.5 | 0.8 | 2 | 36.8*58*21.0 | ![]() |
| 48 | 7.25 | 4.5 | 0.8 | 1.2 | ![]() | |
| 44 | 25 | 18 | 1.5 | 3.8 | ![]() | |
| 40 | 13 | 11 | 0.8 | 2.1 | 7*40*13.0 | ![]() |
| 49.01 | 3.22 | ![]() | ||||
| 34 | 26 | 24 | 1.1 | 2.1 | 34*25*26 | ![]() |
| 78 | 25.2 | 19.7 | 0.7 | 1.9 | 78*118*24.7 | ![]() |
| 60 | 6.2 | 4 | 0.5 | 2.3 | 60*60*6 | ![]() |
| 78 | 64.5 | 59 | 0.95 | 2.71 | 78*114*64 | ![]() |
| 32 | 20 | 17.6 | 1.2 | 3.2 | 32*32*20 | ![]() |
| 94 | 25.5 | 22 | 1.8 | 2.3 | 94*25*18 | ![]() |
| 64 | 13 | 11 | 1 | 2 | 64*13*7 | ![]() |
| 50 | 4.8 | 2.5 | 0.8 | 2.2 | 50*50*4.5 | ![]() |
| 94 | 24.9 | 20 | 1.8 | 2.2 | 94*34*24.4 | ![]() |
| 105 | 23 | 19 | 0.8 | 2 | 75*105*23 | ![]() |
| 120 | 21.3 | 17 | 0.8 | 2.6 | 120*110*21 | ![]() |
| 110 | 13.5 | 10 | 0.8 | 2 | 100*75*13 | ![]() |
| 55 | 28.1 | 25 | 1 | 2.6 | 62*55*28 | ![]() |
| 184 | 18.5 | 14.5 | 0.8 | 2.07 | 84*66*18 | ![]() |
| 99.3 | 15.7 | 11 | 1.2 | 3.5 | 144.5*97*15.7 | ![]() |
| 77.5 | 22.2 | 77.5*30*22.2 | ![]() | |||
| 18 | 18.3 | 14.3 | 0.8 | 2.13 | 80*18*84 | ![]() |
| 190 | 28.3 | 17.5 | 0.79 | 2.91 | 190*92*22.5 | ![]() |
| 36.8 | 19.5 | 17 | 0.8 | 1.97 | 58*36.8*19.5 | ![]() |
| 85 | 13 | 11 | 0.8 | 1.5 | 85*7*13 | ![]() |
| 70 | 10.5 | 8 | 1.1 | 4.2 | 70*60*10.5 | ![]() |
| 80 | 23.3 | 20 | 0.8 | 2 | 80*70*23 | ![]() |
| 38.5 | 6.2 | 3.9 | 0.8 | 2.1 | 67*38.5*6 | ![]() |
| 100 | 13.3 | 9.9 | 0.8 | 2.1 | 100*60*13 | ![]() |
| 18 | 6 | 3.5 | 1 | 2 | ![]() | |
| 65 | 25.2 | 22 | 1 | 2 | ![]() | |
| 80 | 41.5 | 38 | 0.8 | 2.19 | ![]() | |
| 90 | 17.1 | 13.6 | 0.8 | 1.7 | 90*80*17 | ![]() |
| 90 | 33.1 | 27.9 | 1 | 2.5 | 100*90*33 | ![]() |
| 80 | 10.3 | 7 | 0.6 | 1.41 | 7*80*10.3 | ![]() |
| 40 | 14.3 | 11 | 0.8 | 2.1 | 40*7*14.3 | ![]() |
| 64 | 14.3 | 11 | 1 | 2 | 64*7*14.3 | ![]() |
| 持續更新.... |
總部地址: 浙江省杭州市余杭區良渚街道納賢街19 號3幢
聯系人: 來小姐
TEL:15558000707
E-mail: sales@huaheplm.com
更多產品詳情,請登錄衡鼎官網:http://www.h-designer.cn/product.aspx
標簽: 點擊: 評論:
版權聲明:除非特別標注,否則均為本站原創文章,轉載時請以鏈接形式注明文章出處。
































































































































































